UK Specific Information

PME Fault Detection – OPEN Fault Detection

The Flex Series charging station does not include a PME fault detection system, therefore a suitable solution according to BS 7671-1 shall be used.

The section 772 of BS 7671-1: 2018 alongside it’s latest amendments, defines particular requirements for Electric Vehicle supply systems installed within the United Kingdom of Great Britain and Northern Ireland.

For those installations in which a TN system is used, a TN-CClosed Terra Neutral Combined-S system (also can be known as PME earthing system) shall be presumed. In order to protect the EVClosed Electric Vehicle charger, your vehicle, and yourself, you must ensure that your installation includes one of the following options.

  • (ii) – The main earthing terminal of the installation is connected to an installation earth electrode by a protective conductor complying with Regulation 544.1 of BS 7671.

  • (iii) and (iv)– Protection against electric shock is provided by a device which electrically disconnects the vehicle form the live conductors of the supply and from the protective earth in accordance with Regulation 543.3.3.101(ii) within 5 seconds.

  • (v) – Protection is achieved by a device which provides equivalent protection as to (ii), (iii) and (iv).

For the general public, ChargePoint recommends option (iii) or (iv) from BS 7671-1, be installed upstream the Flex Series charging station.

Ensure your electrical installer is certified to perform the installation of an EVClosed Electric Vehicle charger and request advice on what is the better solution for your installation.

60 A Limitation

This requirement is applicable to home installations mostly.

Every time a Flex Series charging station is going to be installer, you or your installer must inform the distributor network operator.

The notification will be in the form of an application or a notification. This notification shall dictate whether your supply maximum demand (MD)  has a limitation of 60 A or less and you pretend to install an EVClosed Electric Vehicle charger.

Depending on the assessment performed by you or your installer, the DNO will request:

  • That your EVClosed Electric Vehicle charger is a smart EVClosed Electric Vehicle charger capable of limiting the current being drawn by the vehicle in real time in order to not overcome the limit of 60 A or

  • That your installation is upgraded to accommodate the EVClosed Electric Vehicle charger extra power.

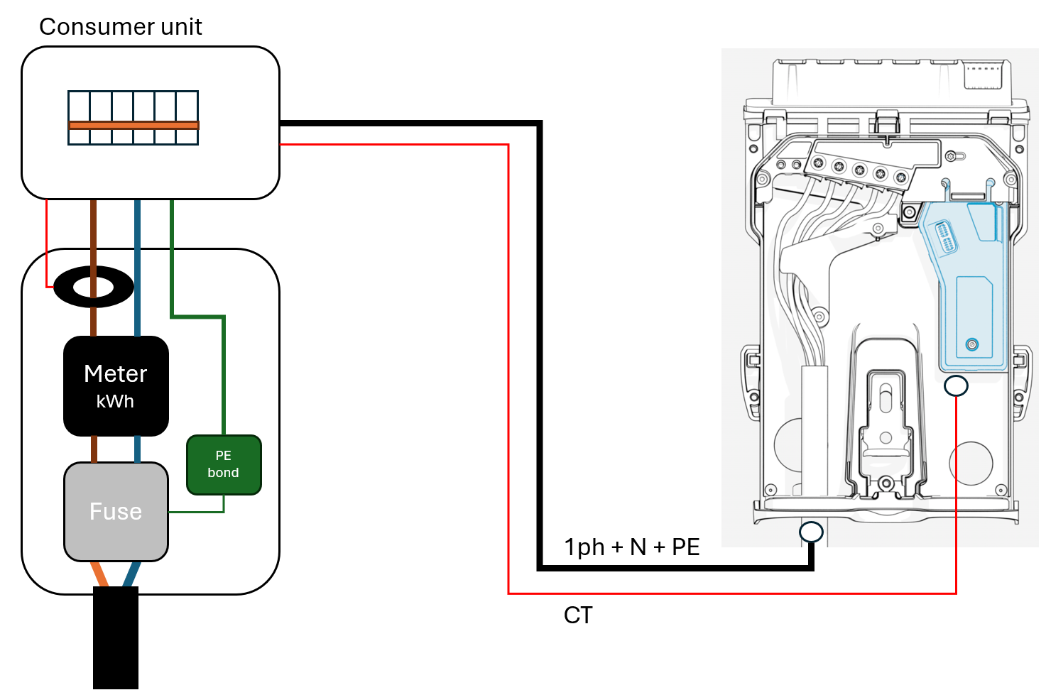
Flex Series charging stations include an optional accessory which allows you and your home to maintain the 60 A limit by adding a current transformer connected in your cabinet and the charger, ensuring that the charging session is always optimized to maintain the limit of 60 A.

Refer to the following diagram during station installation:

A diagram of a machine

AI-generated content may be incorrect.

 

Click on the link below for additional information:
https://www.energynetworks.org/industry/connecting-to-the-networks/frequently-asked-questions-about-connecting-to-the-networks